深圳市玄览科技有限公司

首页->产品


铅酸电池管理板

可管理由412V铅酸电池串联的48V电池组

最大放电电流30A(无风),60A(有风)

最大充电电流20A

对低电压或高电压单节电池主动均衡

单级电池电压检测精度+-0.05V

RS232串口通信,可读取电压电流剩余容量等数据

 

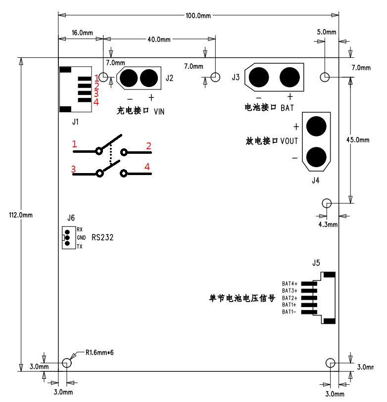
接口说明

J1XH2.54-4PIN卧贴连接器

按键开关。短按开机、长按2秒关机。    

J2XT60PB-M端子

充电器接口。具有电池防反灌功能。

J3XT90PB-M端子:电池接口。

J4XT90PB-F端子

放电接口。

J5XH2.54-5PIN卧贴连接器

单节电池电压信号接口。当检测到某节电池电压过高或过低时,对此节电池进行充放电均衡。

J6PH2.0-3PIN直针连接器。

提供RS232通信功能。TX为本端串口发送数据管脚;GND为主控板数字地;RX为本端串口接受数据管脚。默认波特率:9600bps

©深圳市玄览科技有限公司 版权所有 粤ICP备19007716号-1
友情链接:明泽微

首页 | 关于玄览| 产品信息 | 联系我们